Caratteristiche statiche
Caratteristiche radiali
La forza applicata è situata in un piano perpendicolare all'asse dell'articolazione. L'articolazione è caratterizzata in questo caso dal carico massimo ammissibile PR e dalla freccia corrispondente fR.
La sollecitazione sull'elemento elastico può essere calcolata applicando la formula:

In realtà essa dipende anche dal rapporto di "scatolamento" l/D e dallo spessore dell'elemento elastico

La sollecitazione ammissibile (cioè quella max che può sopportare l'elemento elastico) dipende dalle caratteristiche fisiche del materiale ed è in funzione della sua durezza misurata in gradi Shore A

Caratteristiche assiali
La forza applicata è situata sull'asse dell'articolazione.
Corrispondentemente all'applicazione della forza PA si ha una deformazione elastica assiale fA.
In pratica il carico assiale statico max ammissibile può essere calcolato con la formula:

t dipende dalle caratteristiche fisiche dell'elemento elastico. L'articolazione è caratterizzata in questo caso dal carico statico assiale max ammissibile PA e dalla freccia corrispondente fA.

Caratteristiche torsionali
L'applicazione di una coppia attorno all'asse dell'articolazione provoca una deformazione angolare α.
A questa deformazione corrisponde una coppia di richiamo elastica. La coppia massima statica ammissibile può essere calcolata applicando la formula:

t dipende dalle caratteristiche fisiche dell'elemento elastico. L'articolazione è caratterizzata in questo caso dalla coppia max CT e dall'angolo di torsione max α.

Caratteristiche coniche
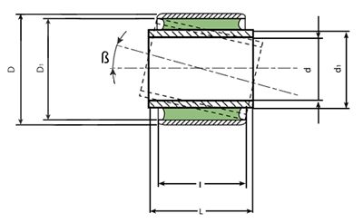
Applicando una coppia con l'asse perpendicolare a quello dell'articolazione si provoca una deformazione elastica angolare ß.
L'angolo ß ha un max ammissibile cui corrisponde una coppia di richiamo elastico.

Caratteristiche dinamiche
Carichi dinamici
Nel caso di carichi dinamici i valori dei carichi indicati nelle tabelle del catalogo vanno ridotti secondo il coefficiente r.
Nel caso si tratti di carichi di breve durata e poco frequenti (shocks) i carichi possono essere raddoppiati.

Ampiezze torsionali
Le ampiezze torsionali indicate in catalogo vanno ridotte secondo un coefficiente t funzione della frequenza di oscillazione.

Sollecitazioni composte
Nel caso in cui siano presenti contemporaneamente più di un tipo di carico, il calcolo delle sollecitazioni dell'elemento diviene più complesso. In questo caso Vi consigliamo di rivolgerVi direttamente al nostro Ufficio Tecnico.

